요약
전기 및 하이브리드 자동차의 배터리 충전 시스템에서 발생하는 누설전류 문제를 해결하기 위해, 새로운 유니폴라 인버터 역률 보상 장치가 개발되었습니다. 이 장치는 스위칭 타이밍을 교류 전압의 제로 크로싱 시점으로 조정함으로써 누설전류를 감소시켜, 안정성 및 효율성을 향상시킵니다. 실험 결과, 누설전류는 기존 시스템 대비 0.02A에서 0.004A로 크게 감소했고, 이를 통해 친환경 차량의 안정적인 운용 및 전력 소모 절감에 기여할 수 있습니다. 이 기술은 전력 시스템과 재생 에너지 시스템에까지 활용될 수 있으며, 장비 수명을 연장하고 안전성을 향상시키는 데 도움을 줍니다.
기본 정보
•
특허명: 누설전류 저감이 가능한 유니폴라 인버터 역률 보상 장치
•
발명자: 윤한신 교수
•
출원번호: 10-2022-0124901
•
등록번호: 10-2627906
상세 정보
발명의 배경
배경 설명
•
유니폴라 인버터 역률 보상 장치는 전기 및 하이브리드 자동차의 배터리 충전 시 사용되는 PFC 단에서 중요함. 이는 고전압 출력을 요구하며 유니폴라 인버터 구조로 구현됨. 그러나, 기존 유니폴라 인버터는 누설전류로 인해 전압 및 전류의 불안정성을 초래할 수 있음.
•
본 발명은 누설전류 저감을 위해 스위칭 타이밍을 입력 교류 전압의 제로 크로싱 시점으로 조정하여 불안정을 해소하는 방식으로 설계됨. 이를 통해 동작 안정성과 효율성을 동시에 증대시킴.
•
이 기술은 기존 시스템의 문제점을 해결하고 에너지 효율성을 높이기 위해 개발됨. 이를 통해 친환경 차량의 효율적인 운용을 보장할 수 있음 .
기존 기술의 문제점
•
기존의 유니폴라 인버터는 누설전류 발생으로 전압과 전류의 불안정성을 초래할 수 있음. 이는 OBC가 차단되어 충전이 불가해지는 상황을 유발할 수 있음.
•
전기자동차 배터리가 요구하는 높은 전압과 효율을 위해 인버터의 효율성 증대가 꼭 필요함. 유니폴라 인버터는 이 요구를 충족하기 위해 설계됨 .
•
실험 결과, 본 발명의 유니폴라 인버터는 기존 시스템 대비 누설전류를 최대 0.02A에서 0.004A으로 감소시킴. 누설전류의 감소로 시스템의 동작 안정성이 높아지고 전력 소모 감소와 안전성 향상에 기여함 .
기술의 필요성
•
다양한 전기적 사양의 전기자동차 배터리가 높은 전압과 효율을 요구함에 따라, 인버터 효율성을 증대시키는 기술의 중요성이 커지고 있음 .
•
스위칭 타이밍 변경을 통해 발생하는 누설전류 문제를 해결하여 친환경 차량 운용의 효율성을 개선함. 이는 전력 소모를 줄이고 안전성을 높이는 데 기여함 .
•
유니폴라 인버터의 효율적인 관리 시스템은 전자 장비의 안정성을 높이고 수명을 연장함. 스마트 제어 기능을 통해 실시간으로 누설전류를 관리할 수 있음 .
구현 방법
기술의 원리
•
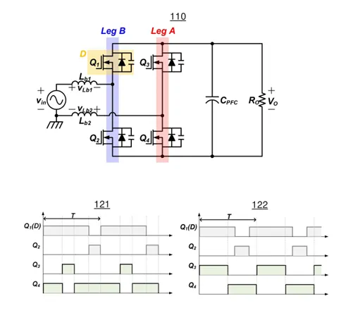
본 발명의 유니폴라 인버터 역률 보상 장치는 전기 및 하이브리드 자동차의 배터리 충전 시 사용됨. 이는 PFC(Power Factor Correction) 단에서 고전압 출력을 효율적으로 관리하기 위해 설계됨.
•
스위칭 타이밍을 입력 교류 전압의 제로 크로싱 시점으로 조정하여 누설전류를 최소화하고, 시스템의 안정성을 향상시킴. 이를 통해 급격한 전류 변화를 방지하고 전력 변환의 효율성을 높임.
•
장치는 풀 브릿지 구조로 구성되어 있으며, 다이내믹하게 제어되는 네 개의 스위치(Q1, Q2, Q3, Q4)를 통해 에너지 변환 과정을 촉진함 .
구체적인 구현 방법
•
시스템의 효율을 높이기 위해 주요한 전력 변환 부품은 제로 크로싱 시점에 맞춰 스위칭 됨. 이는 장치의 안정성을 증대시킴.
•
스위칭 타이밍 스킴은 Q1과 Q4, Q2와 Q3로 나뉘어 각각 듀티 사이클을 조정하여 회로상의 전류 불안정을 완화함. 이를 통해 누설전류 문제를 최소화함 .
•
스마트 제어 기능을 통해 실시간으로 전압 변화와 누설전류 상태를 모니터링하고, 필요시 제어를 조정하여 최적의 성능을 유지하도록 설계됨 .
기술의 장점
•
고전압 요구를 효율적으로 충족시키며, 전압 및 전류의 안정성을 획기적으로 향상시킴으로써 친환경 운용을 가능하게 함.
•
실시간 모니터링을 통한 누설전류의 억제는 시스템의 안정성을 높이고 장비 수명을 연장하는 데 기여함.
•
이러한 구성은 전력 시스템 및 재생 에너지 시스템에서 활용 가능하며, 기존 인프라와의 호환성을 유지함으로써 손쉽게 통합될 수 있음.
실험 및 결과
실험의 목적
•
유니폴라 인버터의 스위칭 타이밍 최적화로 누설전류를 최소화하는 것이 주요 목적임. 이는 전류 및 전압의 안정성을 높이기 위한 실험임.
실험 방법 및 과정
•
스위칭 타이밍을 교류 전압의 제로 크로싱 시점으로 고정하여, 누설전류 발생을 억제하는 절차 포함함.
•
제어부는 220V/60Hz 입력 교류 전압을 통해 타이밍 스킴을 조정하여 누설전류를 검출하였음.
실험 결과
•
유니폴라 인버터는 누설전류를 최대 0.02A에서 0.004A으로 감소시켰음.
•
누설전류 감소로 시스템의 동작 안정성이 높아졌으며, 이는 전력 소모와 안전성을 동시에 향상시킴.
활용 방안 및 기대효과
활용 방안
•
유니폴라 인버터 역률 보상 장치는 전기 및 하이브리드 자동차의 배터리 충전 시스템에 직접 적용 가능함. 이는 PFC 단에서 고전압 출력을 요구하는 경우에 탁월한 성능을 발휘함.
•
발명은 전력 시스템 및 재생 에너지 시스템에서도 활용될 수 있으며, 전체 시스템의 전력 효율성을 높임. 이는 전자 장비의 수명을 연장하는 데 도움을 줌.
•
스위칭 타이밍 조정은 전력 변환 장치의 스위칭 손실을 줄여 시스템 효율성을 향상시키는 데 기여함. 이를 통해 기존 인프라와의 호환성을 유지하면서 새로운 기술을 통합할 수 있음.
기대효과
•
발명은 전력 변환의 안정성을 높여 불안정한 전류 및 전압 변화를 효과적으로 해결함. 이는 시스템의 안정적인 운용 및 안전성을 지원함.
•
절감된 에너지 비용은 장기적으로 기업의 운영 비용을 절감하며, 지속 가능한 경영 환경을 조성하는 데 기여함. 이는 기업의 수익성 향상에 직접적으로 연결됨.
•
스마트 그리드 시스템과의 결합은 에너지 소비 최적화 및 비용 절감에 기여할 수 있으며, 몇몇 산업에 전력 효율성을 강화하여 전략적 우위를 부여함. 이를 통해 온실가스 배출 저감 및 지속 가능한 발전을 지원함.
시장 동향
유니폴라 인버터 시장 동향
스마트 제어 기능 응용 분야
대표도면
인천대학교 산학협력단
(21999) 인천광역시 연수구 갯벌로 27(송도동) INU이노베이션센터 202호
본 메일은 마케팅 활용 동의서에 동의하신 회원님께 전송된 것입니다.
COPYRIGHT (c) 2026 Incheon National University. ALL RIGHT RESERVED.

